Обогрев резервуара горизонтального стального подземного ЕП 8 м3

Объект обогрева
Обогрев резервуара производственных стоков потребовался, т.к он будет эксплуатироваться в северной строительно-климатической зоне, с минимальной температурой окружающей среды до -40°С. Это емкость с корпусом из низколегированной хладостойкой стали для сбора неочищенных бытовых сточных вод. Утепление резервуара: пенополиуретан (100мм – корпус, 80мм – горловины, штуцеры).
Место размещения емкости на открытой площадке под землей, резервуар не будет иметь непосредственного контакта с легковоспламеняемыми веществами, но сама зона взрывоопасная, что обязывает к использованию соответствующего сертифицированного кабеля. Планируемый срок службы резервуара 20 лет. Поэтому оптимальный по сочетанию цена-качество – греющий кабель для резервуаров Альфатрейс.
Так как требованиями заказчика к обогреву был непрерывный режим работы, без постоянного присутствия персонала, поэтому управление обогревом резервуара осуществляется с помощью цифрового программируемого терморегулятора 2ТРМ1-Д.У.Р., установленного в шкафу управления, в котором предусмотрен автоматический режим работы.
Назначение системы обогрева подземного стального резервуара ЕП 8 м3
Поддержание рабочей температуры в холодное время года.
Техническое решение
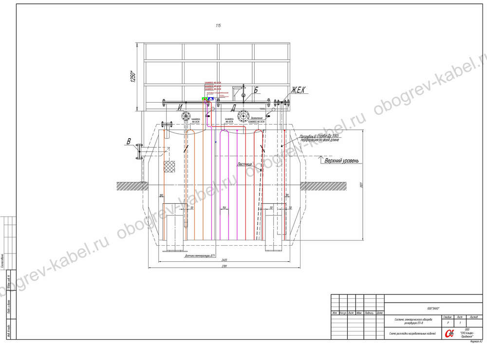
После проведения всех необходимых расчётов и подбора оборудования были проведены работы по монтажу саморегулирующегося кабеля ALPHATRACE 40ATL2-CP на резервуар.
Состав системы обогрева подземного резервуара ЕП-8
| № | Наименование | Обозначение | Кол-во |
|---|---|---|---|
| 1. Подсистема обогрева | |||
| 1.1 | Саморегулирующийся греющий кабель 1Ех е IIC Т6 GbX | 40ATL-2CP | 80 м |
| 1.2 | Комплект заделки для кабеля 1ЕхеIIC Т6 GbХ | VN/KN | 3 шт |
| 1.3 | Комплект заделки для кабеля 1ЕхеIIC Т6 GbХ | RN | 1 шт |
| 2. Подсистема питания | |||
| 2.1 | Шкаф управления общепромышленный* УХЛ1 | ШУЭОр-4/3-Т211нхб-230131_41-Т | 1 шт |
| 2.2 | Коробка соединительная 1Ех е IIC Т5 GbX | УВГ1776Р21Ф000012-А | 1 шт |
| 3. Подсистема управления | |||
| 3.1 | Датчик температуры 0Ех ia IIC Т6…Т1 GаX | ДТС014-50М.В3.25/2.ЕХI-Т6 | 1 шт |
| 3.2 | Коробка соединительная 1Ех е IIC Т6 GbX | УВГ1776Р21Ф000014-А | 1 шт |
| 4. Подсистема крепления | |||
| 4.1 | Лента монтажная | ТП | 50 м |
| 4.2 | Лента крепежная | ЛАМС | 3 шт |
| 4.3 | Хомут | ХЛ-30 | 80 м |
| 4.4 | Крепежные элементы для хомута | ЗХЛ-3/30 | 17 шт |
| 4.5 | Силовой кабель | ВВГнг(А)-LS 5х4 | 10 м |
| 4.6 | Контрольный кабель | КВВГЭнг(А)-LS 4х1,5 | 10 м |
Проект системы обогрева резервуара ЕП 8, схема раскладки нагревательных кабелей

- Рассчитаем требуемую мощность
- Подберем кабель и крепления, подходящий для Вашего объекта
- Порекомендуем удобную систему управления
