Обогрев емкости хранения флотореагента (Т-92) по типу ЕПП 63 м3

Объект обогрева
Склад хранения флотореагента (Т-92) по типу ЕПП-63, Еврейская автономная область, район Октябрьский, село Союзное.
Технические требования
| Объем резервуара, м3 | 63 |
| Внутреннее давление, МПа | 0.07 |
| Габариты, ДхШхВ | 9460х3180х4395* |
| Расположение резервуара | Наземное |
| Конструкция | Одностенная |
| Количество секций | Односекционный |
| Количество горловин, шт. | 2 |
| Диаметр горловин, мм | 800 |
| Состав хранимой жидкости | Флотомасло «Оксаль - Т 92» |
| Класс опасности | ГОСТ 12.1.007-76 - 3 ГОСТ Р 51330.9-99 - В-1г |
| Внутреннее покрытие | Полимерное |
| Внешнее покрытие | Покраска по антикоррозийной грунтовке |
| Наличие теплоизоляции | Да |
| Температура наиболее холодных суток с обеспечением 0.98 по СНиП 23-01-99 | -35°С |
| Дополнительное оборудование | Опоры 4 шт.; лестница подъема и обслуживания наружная |
| Подогреватель | Электрический |
| Наличие насоса | Отсутствует |
| Цветовые решения | В цветовой палитре: RAL5002; RAL7005 |
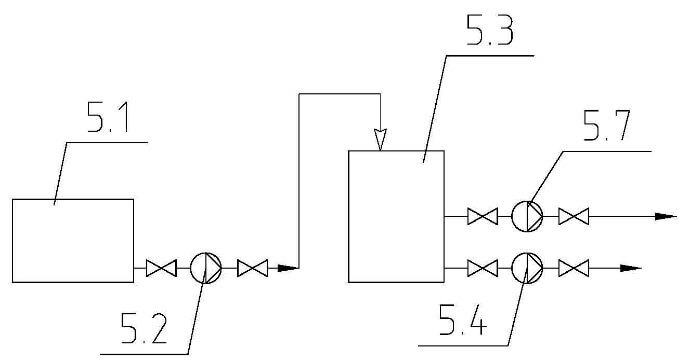
| Схема установки оборудования в технологической линии | ![]() |
| Комплектность поставки | С комплектной системой подачи оксаля в расходную емкость поз.5.3. Расходная емкость поз.5.3 (V=2м³) находится на расстоянии не более 30м на той же отметке что и емкость поз. 5.1. Подачу оксаля из емкости поз. 5.1 для заполнения емкости поз. 5.3 необходимо осуществить не более чем за 1 час. |
* возможны незначительные отклонения в линейных размерах.

Бесплатный расчет обогрева резервуара за 2 часа
- Рассчитаем требуемую мощность
- Подберем кабель и крепления, подходящий для Вашего объекта
- Порекомендуем удобную систему управления
Спасибо, наш менеджер свяжется с вами в ближайшее время
Заполните обязательные поля
Отправляя форму, вы даете свое согласие на обработку персональных данных.
Расчеты будут отправлены на Ваш e-mail, внимательно проверьте данные при отправке.
Примеры обогрева резервуаров и емкостей
Обогрев резервуара горизонтального на санях РГСН 50 м3
ПКФ «КУБ»
2022 г.
Обогрев горизонтального резервуара РГСН-50 для хранения нефтепродуктов
ООО «ПКФ» Энергетические решения»
г. Барнаул
2021 г.
Обогрев резервуара с дизельным топливом или нефтяного резервуара 200 м3
ООО «ЗНХО»
2023 г.
Обогрев устройства предварительного отбора газа 25 м3
ООО «ЗНХО»
г. Челябинск
2022 г.

